XDUP-C3.1G4.65G-S技术规格书
更新时间:2025-02-12 13:19:06

XDUP-C3.1G4.65G-S
| 序号 | 指标项目 | 指标要求 | |
|---|---|---|---|
| 1 | 中心频率 | P1:3.1GHz | P2:4.65GHz |
| 2 | -3.0dB带宽 | ≥600MHz(2800-3400MHz) | ≥300MHz(4500-4800MHz) |
| 3 | 插入损耗 | ≤2dB | |
| 4 | 带外抑制 | ≥30dB@DC-2500MHz ≥30dB@3700-4200MHz ≥30dB@5100-10000MHz |
≥30dB@DC-2500MHz ≥30dB@3700-4200MHz ≥30dB@5100-13000MHz |
| 5 | 驻波比 | ≤1.5 | |
| 6 | 功率 | 0.5W | |
| 7 | 接口 | SMA-K(P1,P2,ANT) | |
| 8 | 工作温度 | -40℃~70℃ | |
| 9 | 储存温度 | -55℃~85℃ | |
| 10 | 材料及外观 | 6061表面镀银 | |
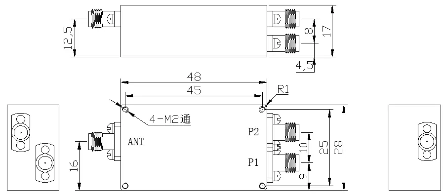
外形图

测试曲线



24小时服务热线:王经理 18782004605