XPF-L1.875G1.35G-Z技术规格书
更新时间:2024-12-13 22:04:48

XPF-L1.875G1.35G-Z
| 序号 | 指标项目 | 指标要求 |
|---|---|---|
| 1 | 中心频率 | 1.875GHz |
| 2 | -1dB带宽 | 1.35GHz |
| 3 | 插入损耗 | ≤2dB |
| 4 | 带外抑制 | ≥40dBc@DC-850MHz ≥40dBc@2850MHz-5000MHz |
| 5 | 群时延 | ≤3ns |
| 6 | 驻波比 | ≤1.5 |
| 7 | 接口 | 0.38mm针 |
| 8 | 工作温度 | -40℃~70℃ |
| 9 | 储存温度 | -55℃~85℃ |
| 10 | 外观 | 表面镀银 |
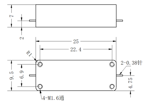
外形图

测试曲线


测试曲线


24小时服务热线:王经理 18782004605