XPF-C11.2G20M-ZS技术规格书
更新时间:2024-12-13 22:18:17

XPF-C11.2G20M-ZS
| 序号 | 指标项目 | 指标要求 |
|---|---|---|
| 1 | 通带频率 | 11.2G±10MHz |
| 2 | 通带损耗 | ≤4.5dB |
| 3 | 带外抑制 | ≥10dBc@F0±100MHz;≥55dBc@F0±2GHz |
| 4 | 驻波比 | ≤1.5 |
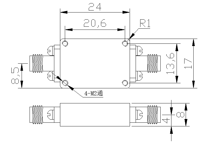
| 5 | 接口(50Ω) | SMA-K(可拆卸) |
| 6 | 工作温度 | -40℃~+70℃ |
| 7 | 存储温度 | -55℃~+85℃ |
| 8 | 材料和外观 | 铜H62,表面镀银 |
| 9 | 尺寸 | 24*17*8(外形公差±0.1mm) |
外形图

测试曲线



24小时服务热线:王经理 18782004605