XHF-L1G6G-S技术规格书
更新时间:2024-12-16 14:22:43

XHF-L1G6G-S
| 序号 | 指标项目 | 指标要求 |
|---|---|---|
| 1 | 通带频率 | 1-6GHz |
| 2 | 插入损耗 | ≤2dB |
| 3 | 带外抑制 | ≥50dB@DC-890MHz |
| 4 | 驻波比 | ≤1.8 |
| 5 | 接口 | SMA-K |
| 6 | 工作温度 | -40℃~70℃ |
| 7 | 储存温度 | -55℃~85℃ |
| 8 | 外观 | 表面喷黑漆 |
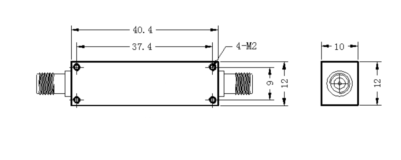
外形图

测试曲线



24小时服务热线:王经理 18782004605